电气工程及其自动化专业《电路分析》课程思政课堂教学设计

发布日期:2021-12-08
false本科(1):
课程名称 |
电路分析 |
授课对象 |
电气工程及其自动化专业学生 |
||
授课内容 | 最大功率传输定理。 |
课时 |
2.00 |
||
课程类型 | A.思想政治理论课;B.通识课;√C.专业课;D.实践课; | ||||
教学目标 | 1.能力目标:能够解决实际最大功率传输问题。比如如何让扬声器声音最为洪亮,那就需要扬声器获得最大功率。放大器的输出电阻和扬声器本身的阻值相匹配、也就是相等。 2.知识目标:灵活应用最大功率传输定理结合戴维南定理解题。 3.思政目标:鱼与熊掌不可兼得。引导学生在大义与小我面前该如何做取舍。反省自身,有没有做到不隐瞒、不聚集,积极投身到疫情防控工作中去。 |
||||
课程思政 | 融入知识点 | 最大功率和传输效率。 |
|||
融入方式 | 思政元素与知识点深入结合,联系实际进行融入。 |
||||
思政元素 | 家国情怀 自我反省 积极做事 鱼与熊掌不可兼得 学会取舍 | ||||
思政资源 | |||||
思政案例 | |||||
教学实施 | |||||
教学引入 | 如何做选择?最快的速度和最优的性能如何选择?增益与带宽如何选择?就像自我与他人如何选择?就像自由与责任如何选择?本节知识中,要关注获得最大功率和电源的最大传输效率之间的选择。 |
||||
教学展开 | 如图1所示, 一个含源线性一端口电路,当所接负载不同时,一端口电路传输给负载的功率就不同。 讨论负载为何值时能从电路获取最大功率,且该最大功率为多少?这是带有工程意义的问题。 1.最大功率传输定理内容: 设一负载电阻RL连接在电压型电源上,若该电源的电压Us保持规定值和串联电阻Rs不变,负载RL可变,则当RL=Rs时,负载RL上可获得最大功率。这就是最大功率传输定理。 2.定理证明: 电路如图2所示,负载RL上所获得的功率PL为: 上式中Ps为电源发出的功率,η为传输效率。将RL看为变量,PL将随RL变化而变化,最大功率发生在下述条件下。 求解上式得:RL=Rs RL所获得的最大功率: 当负载RL=Rs时,负载可获得最大功率,此种情况称为R L与Rs匹配。 最大功率问题可推广至可变化负载RL从含源一端口获得功率的情况。将含源一端口用戴维宁等效电路来代替,其参数为UOC与Req,当满足RL=Re时,RL将获得最大功率。 3.解题步骤:
(1)求开路电压;(2)求等效电阻;(3)根据最大功率传输定理求解。
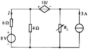
【例题1】图3所示电路,设负载RL可变,问RL为多大时它可获得最大功率?此时最大功率Pmax为多少?
【例题2】图4所示电路,问R为多大时它可获得最大功率?此时最大功率Pmax为多少? 【例题3】图5所示电路,问RL为多大时它可获得最大功率?并求此最大功率Pmax? 图5 4.思考:
当负载获得最大功率的时候,电源的利用率是多少呢?
由前面的分析可知,当调整负载使电路达到最大功率匹配状态时,电源端的输出功率只有一半被负载利用,其余的都被内阻消耗掉了,即电源的传输效率仅达到50%。
因此在电力传输系统中,电路一般不工作在最大功率匹配状态,以避免造成能源的过渡浪费。而在控制、通信等系统中,通常要求信号功率尽可能大(信号强),宁肯牺牲电源传输效率来换取大的传输功率。
世界上不存在完美,像这样牺牲一个换取另一个的事情不管是在工程上还是在人类社会中都存在很多,要学会取舍。
鱼与熊掌不可兼得。武汉封城,保住全国,然后全国驰援武汉。这里面包含了太多的无奈和义无反顾。 以上体现的是家国大义,但也存在一些人自私自利,致他人与国家于风口浪尖,比如河南“毒王”。 |
||||
教学总结 | 通过调节含源一端口网络的内部参数来使负载获得最大功率的问题是非常复杂的,不可以通过最大功率传输条件来确定。最大功率传输定理的前提是负载可调,而实际工程中负载不可调,所以需要采取必要的手段来实现,如采用理想变压器变换阻抗,换句话说就是曲线救国。当代大学生,不能作为一线抗疫人员上前线,但是可以做很多力所能及的事情,比如大学生志愿者,再比如严格执行疫情防控要求,不隐瞒。 |
||||
目标达成检测 | 由班级辅导员进行问卷检测:因为疫情原因,周末学校封闭,国庆长假取消,不允许离开本省,你如何看待这种情况?是否觉得太过于小题大做,从而阳奉阴违。对自由与责任怎么看?如何选择? |
||||
教学反思 | 通常在实际工程中,负载的电阻不可任意调节。要使交流电路实现阻抗匹配,必须采用改变负载阻抗值的手段。如采用理想变压器变换阻抗,或采用无损耗均匀传输线来变换阻抗,使负载和变换部分整体获得最大功率,只有在变压器和均匀传输线的损耗很小的条件下,负载获得的功率接近最大值。 通过近期疫情防控热点新闻,对学生进行人生观价值观的引导和教育。 |